Rolka do radełkowania PM BL30 8,9x2,5x4mm, podziałka 0,4 mm QUICK

115,01 zł
Wysyłka z magazynu: ⁨B6⁩
Przewidywana wysyłka: Mon, May 4 - Wed, May 6
14 dni na zwrotBez podawania przyczyny
Dostępność:
na wyczerpaniu
Producent:
QUICK
Kod produktu:
42000171 / 4030741550362

Specyfikacja

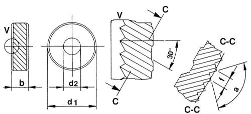
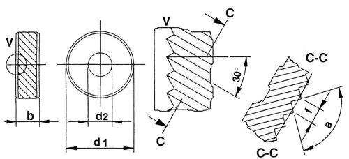
Otwór:4 mm
Podziałka:0,4 mm
Średnica rolki:8,9 mm

Rolka do radełkowania formującego, kształt BL, spirala lewoskrętna (30°)

Wykonanie: ze stali proszkowej. Powierzchnie płaskie, otwór i zęby szlifowane.
Zastosowanie: do radełkowania frezującego (obróbka wiórowa).

Mimo dołożenia wszelkich starań nie gwarantujemy, że publikowane dane techniczne i zdjęcia nie zawierają uchybień lub błędów, które nie mogą jednak być podstawą do roszczeń.

Strona główna