Rolka do radełkowania PM BL30 14,5x3x5mm, podziałka 0,5 mm QUICK

137,24 zł
Wysyłka z magazynu: ⁨B6⁩
Przewidywana wysyłka: Thu, Apr 9 - Mon, Apr 13
14 dni na zwrotBez podawania przyczyny
Dostępność:
na wyczerpaniu
Producent:
QUICK
Kod produktu:
42000204 / 4030741550690

Specyfikacja

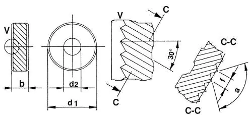
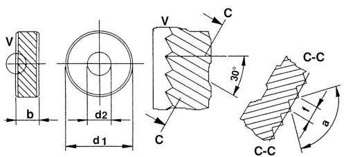
Otwór:5 mm
Podziałka:0,5 mm
Średnica rolki:14,5 mm

Rolka do radełkowania formującego, kształt BL, spirala lewoskrętna (30°)

Wykonanie: ze stali proszkowej. Powierzchnie płaskie, otwór i zęby szlifowane.
Zastosowanie: do radełkowania frezującego (obróbka wiórowa).

Mimo dołożenia wszelkich starań nie gwarantujemy, że publikowane dane techniczne i zdjęcia nie zawierają uchybień lub błędów, które nie mogą jednak być podstawą do roszczeń.

Strona główna