Przedłużka do hydraulicznych uchwytów zaciskowych 32-20mm/150mm WTE

Produkt jest niedostępny
Dostępność:
spodziewana dostawa
Producent:
WTE
Kod produktu:
30479024 / 4053569749794

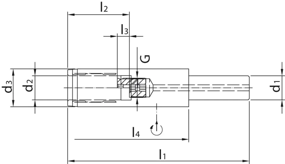
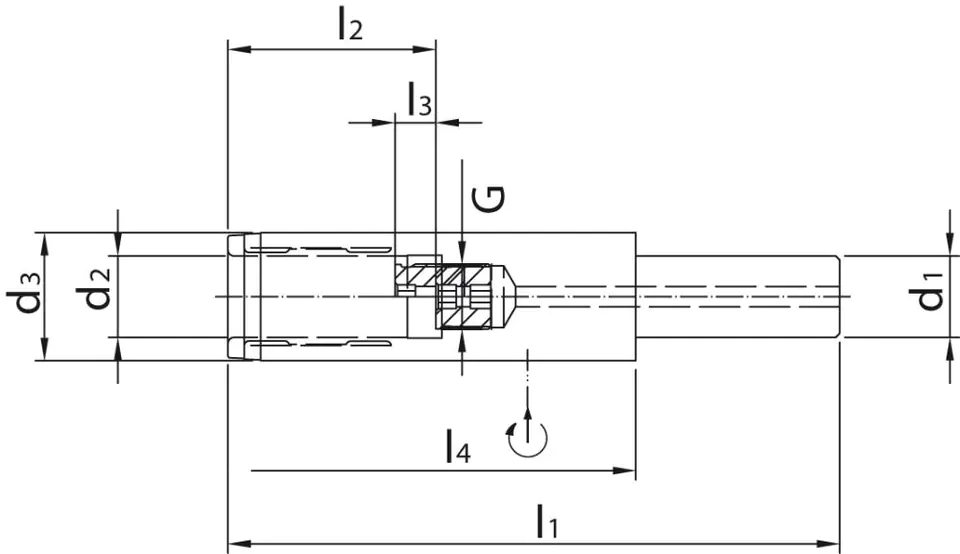
Specyfikacja

D1:32 mm
D2:20 mm
D3:31,5 mm
G:M16 x 1
L1:150 mm
L2:51 mm
L3:10 mm
L4:90 mm
Rozmiar klucza:5 mm

Przedłużka do hydraulicznych uchwytów zaciskowych

Wykonanie: centralne doprowadzenie chłodziwa. Wąski kontur zakłócający. Szeroki zakres mocowania dzięki stosowaniu tulei redukcyjnych.
Zastosowanie: do przedłużania i dostosowania w uchwytach hydraulicznych i oprawkach do tulejek zaciskowych.

Mimo dołożenia wszelkich starań nie gwarantujemy, że publikowane dane techniczne i zdjęcia nie zawierają uchybień lub błędów, które nie mogą jednak być podstawą do roszczeń.

Strona główna