Przedłużka do hydraulicznych uchwytów zaciskowych 20-12mm/150mm WTE

1820,96 zł
Wysyłka z magazynu: ⁨B6⁩
Przewidywana wysyłka: Tue, Apr 28 - Fri, May 1
14 dni na zwrotBez podawania przyczyny
Dostępność:
na wyczerpaniu
Producent:
WTE
Kod produktu:
30479021 / 4053569749770

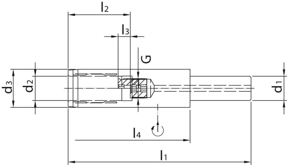
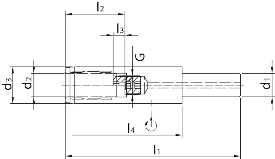
Specyfikacja

D1:20 mm
D2:12 mm
D3:25 mm
G:M10 x 1
L1:150 mm
L2:46 mm
L3:10 mm
L4:100 mm
Rozmiar klucza:5 mm

Przedłużka do hydraulicznych uchwytów zaciskowych

Wykonanie: centralne doprowadzenie chłodziwa. Wąski kontur zakłócający. Szeroki zakres mocowania dzięki stosowaniu tulei redukcyjnych.
Zastosowanie: do przedłużania i dostosowania w uchwytach hydraulicznych i oprawkach do tulejek zaciskowych.

Mimo dołożenia wszelkich starań nie gwarantujemy, że publikowane dane techniczne i zdjęcia nie zawierają uchybień lub błędów, które nie mogą jednak być podstawą do roszczeń.

Strona główna