Koncówka wtykowa plaska Rozm.5/8" Uchw. narz.9x12mm
Końcówka wtykowa płaska 9x12mm 5/8" do kluczy dynamometrycznych STAHLWILLE
146,55 zł
Wysyłka z magazynu: B6
Przewidywana wysyłka: Mon, Feb 16 - Tue, Feb 17
14 dni na zwrotBez podawania przyczyny
- Dostępność:
- na wyczerpaniu
- Producent:
- STAHLWILLE
- Kod produktu:
- 58611036 / 4018754034918
Udostępnij produkt:
Specyfikacja
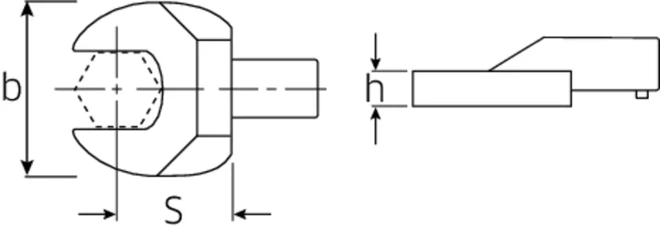
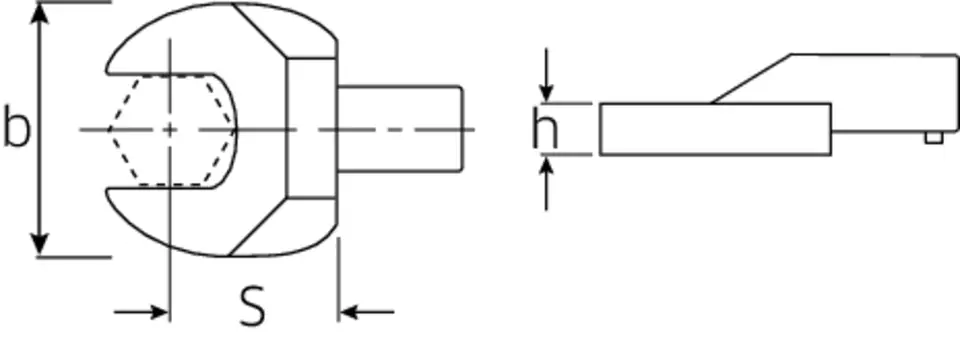
| B: | 38 mm |
|---|---|
| H: | 8,5 mm |
| Nr katalogowy: | 731A/10 5/8 |
| Rozmiar [cal]: | 5/8 "" |
| Rozmiar uchwytu narzedziowego (kwadrat wewnetrzny): | 9x12 mm |
| S: | 17,5 mm |
| Waga: | 64 g |
| Zlacze: | zöllig |
Mimo dołożenia wszelkich starań nie gwarantujemy, że publikowane dane techniczne i zdjęcia nie zawierają uchybień lub błędów, które nie mogą jednak być podstawą do roszczeń.