Kieł tokarski wysokoobrotowy jednostronnie spłaszczony) z wymiennymi końcówkami MK3 CONZELL

6276,24 zł
Wysyłka z magazynu: ⁨B6⁩
Przewidywana wysyłka: Wed, Feb 11 - Mon, Feb 16
14 dni na zwrotBez podawania przyczyny
Dostępność:
duża ilość
Producent:
CONZELLA
Kod produktu:
945 TR / 4260141241625

Specyfikacja

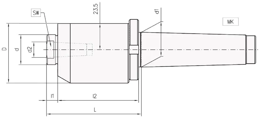
D:27 mm
D1:31,27 mm
D2:14 mm
L:85 mm
L1:10 mm
L2:74 mm
Maks. prędkość obrotowa:10000 min-1
Maks. tolerancja bicia promieniowego:0,003 mm
Maks. waga przedmiotu obrabianego:300 kg
Mocowanie:4 Sto?ek Morse'a
Rozmiar klucza:22 mm

Kieł centrujący obrotowy – wykonanie smukłe

Wykonanie: całkowicie hartowany i szlifowany. Niezwykle smukła obudowa z jednostronnym spłaszczeniem. Pierścień uszczelniający wału zapobiega wnikaniu zabrudzeń, stały smar wystarczający na cały okres eksploatacji. Wymienne wkładki zapewniają maksymalną uniwersalność.
Zastosowanie: na obrabiarkach CNC przy wysokich prędkościach obrotowych. Nadaje się również do szlifowania.

Mimo dołożenia wszelkich starań nie gwarantujemy, że publikowane dane techniczne i zdjęcia nie zawierają uchybień lub błędów, które nie mogą jednak być podstawą do roszczeń.

Strona główna