Kieł tokarski obrotowy 700, cylindryczny z wymiennymi końcówkami 20mm CONZELLA

1952,26 zł
Wysyłka z magazynu: ⁨B6⁩
Przewidywana wysyłka: Thu, Apr 9 - Mon, Apr 13
14 dni na zwrotBez podawania przyczyny
Dostępność:
średnia ilość
Producent:
CONZELLA
Kod produktu:
700 D20 / 4260141240567

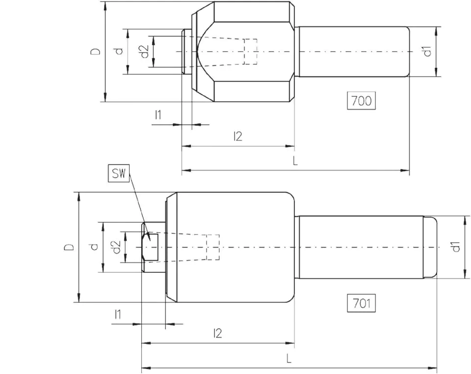
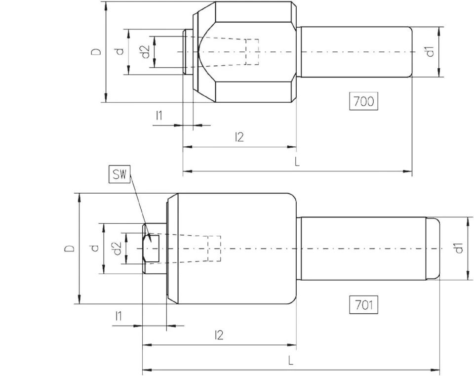
Specyfikacja

D:18 mm
D2:12 mm
L:91 mm
L1:4 mm
L2:45 mm
Maks. prędkość obrotowa:4000 min-1
Maks. waga przedmiotu obrabianego:200 kg
Średnica gniazda g d1:20 mm
Tolerancja bicia promieniowego:0,01 mm

Kieł centrujący obrotowy z końcówkami wymiennymi

Wykonanie: całkowicie hartowany i szlifowany. Osiowa kompensacja długości dzięki sprężynie. Pierścień uszczelniający wału zapobiega wnikaniu zabrudzeń, stały smar wystarczający na cały okres eksploatacji. Wymienne wkładki zapewniają maksymalną uniwersalność.

Mimo dołożenia wszelkich starań nie gwarantujemy, że publikowane dane techniczne i zdjęcia nie zawierają uchybień lub błędów, które nie mogą jednak być podstawą do roszczeń.

Strona główna