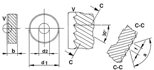
Moulding roller, BR shape, dextrorotatory spiral (15°)
Material: powder steel. Flat surfaces, hole and grinded teeth.
Application: for milling knurling (chip machining).
| Aperture: | 5 mm |
|---|---|
| Roll diameter: | 14.5 mm |
| Scale: | 1.2 mm |
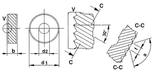
Moulding roller, BR shape, dextrorotatory spiral (15°)
Material: powder steel. Flat surfaces, hole and grinded teeth.
Application: for milling knurling (chip machining).
Despite our best efforts, we cannot guarantee that the published technical data and photos do not contain inaccuracies or errors, which, however, cannot be a basis for claims.