Hydraulic clamping bracket DIN69893A HSK-A63 16x150mm WTE

PLN 3,255.27
Shipping from warehouse: ⁨B6⁩
Estimated shipping: Fri, Apr 3 - Mon, Apr 6
14 days returnUnconditional return policy
Availability:
large quantity
Brand:
WTE
Product code:
30336860 / 4332163365235

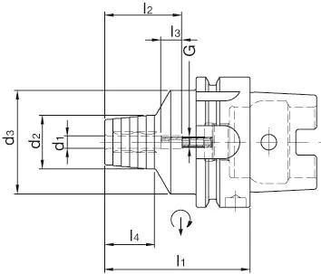
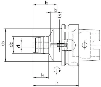
Specification

D1:16 mm
D2:38 mm
D3:50 mm
G:M10
Hsk:63
Key size:5 mm
L1:150 mm
L2:49 mm
L3:10 mm
L4:110 mm

Hydraulic clamping chuck, HSK 63, DIN 69893, shape A, with internal cooling

Material: plastic with tensile strength 1600-1800 N/mm2 and hardness 52 ± 2 HRC. By means of a hexagon wrench with a cross handle, the hydraulic oil is compressed by a hydraulic clamping kit (pressure screw, pressure pin and gasket). The resulting pressure causes uniform deformation of the expansion sleeve, as a result of which the tool stem is fixed with a small radial runout (max. 3 μm). Cone acc. to DIN 254.
Cone angle tolerance: AT3
Max Speed: 40000min-1
Optimum operating temperature: 20-50 °C
Maximum coolant pressure: 80 bar
Adjustment range: 10 mm
Scope of delivery: hydraulic clamping bracket with hex wrench with transverse chuck.

Despite our best efforts, we cannot guarantee that the published technical data and photos do not contain inaccuracies or errors, which, however, cannot be a basis for claims.

Homepage