FAMED SOLIS 60W Lampa zabiegowa przyścienna, 60 000 lux, ramię obrotowe

7095,32 zł
Wysyłka z magazynu: ⁨N4⁩
Przewidywana wysyłka: Tue, Oct 21 - Fri, Oct 24
14 dni na zwrotBez podawania przyczyny
Dostępność:
średnia ilość
Producent:
FAMED
Kod produktu:
5904708713154

Lampa zabiegowa Solis 60 - Natężenie światła 60 tys lux.

Natężenie światła z odległości 1m to 60 000 lux. Lampy zabiegowe serii SOLIS 60 są przeznaczone do stosowania jako podstawowe źródło oświetlenia w diagnostyce i przy zabiegach w gabinetach lekarskich i zabiegowych, ale także w precyzyjnych operacjach intensywnej terapii, salach dla rekonwalescencji oraz oddziałach pierwszej pomocy.

Lampa SOLIS 60 posiada kolisty reflektor zaprojektowany w celu dokładnego oświetlenia pola roboczego oraz wyeliminowania cieni. Lampa ta posiada nadający się do sterylizacji uchwyt, który umożliwia ustawienie pozycji kopuły. Płaski korpus oświetlający wyposażony jest w poliwęglanowy ekran, który zapewnia ochronę przed możliwymi przypadkowymi uderzeniami.

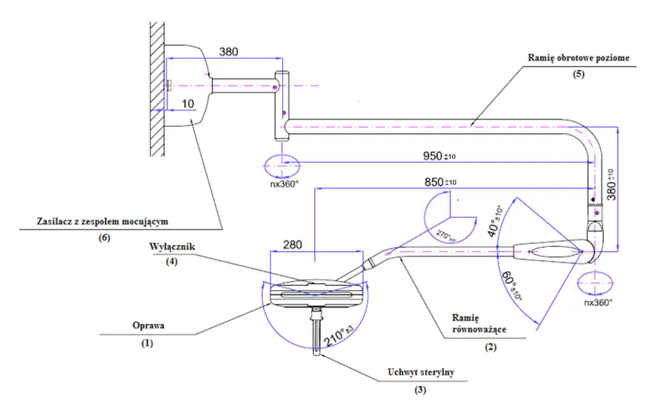
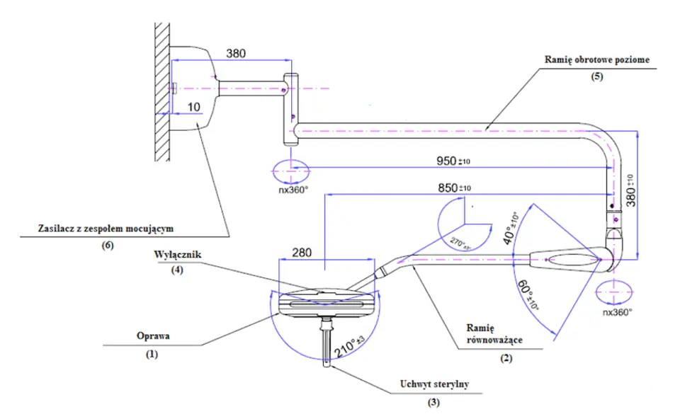
Budowa lampy

Położenie lampy SOLIS 60 można zmienić dzięki możłiwości obracania wokół czterech osi: konstrukcja zapewnia zdolność zataczania pełnego okręgu bez zatrzymań. Ramię porusza się pionowo dzięki skompensowanemu za pomocą sprężyny urządzeniu równoważącemu. Reflektor może być obracany wzdłuż osi pionowej i poziomej. Dzięki innowacyjnemu rozwiązaniu „bezdotykowego” sterowania operator może nastawić natężenie światła stosowanie do własnych potrzeb.

Bezdotykowy sterownik

Lampy są wyposażone w bezdotykowy sterownik pozwalający na trójstopniową regulację natężenia światła.

Wytrzymała i łatwa w czyszczeniu

Oprawa jest wykonana z tworzywa o bardzo wysokiej odporności mechanicznej. Posiada uchwyt sterylny, przeznaczony do manewrowania lampą. Konstrukcja lampy umożliwia łatwe czyszczenie, dezynfekcję i sterylizację ogólnie dostępnymi środkami. Kopuła charakteryzuje się brakiem widocznych śrub i innych zagłębień mogących utrudniać jej mycie i dezynfekcję.

 Poręczna konstrukcja

Kolisty reflektor zaprojektowany w celu dokładnego oświetlenia pola roboczego oraz wyeliminowania jakichkolwiek cieni, posiada nadający się do sterylizacji, poręczny uchwyt, który ułatwia ustawienie jego pozycji.

Ultra płaski korpus oświetlający, nie przeszkadza operatorowi, jest wyposażony w wytrzymały poliwęglanowy ekran, który zapewnia ochronę przed możliwymi przypadkowymi uderzeniami.

Położenie lampy SOLIS 60 można z łatwością zmieniać dzięki właściwości obracania się wokół 4 osi: konstrukcja zapewnia zdolność zataczania pełnego okręgu bez zatrzymań.

Ramię porusza się pionowo dzięki skompensowanemu za pomocą sprężyny urządzeniu równoważącemu. Reflektor może być obracany wzdłuż osi pionowej i poziomej. 

Konfiguracje lampy

Lampy Solis 60 występują w następujących konfiguracjach:

  • Solis 60F - wersja mobilna
  • Solis 60C - wersja sufitowa
  • Solis 60W - wersja ścienna
  • Solis 60/60F - wersja mobilna podwójna
  • Solis 60/60C - wersja sufitowa podwójna
  • Solis 60/60W - wersja ścienna podwójna
  • Solis 60FA - wersja mobilna z awaryjnym zasilaniem akumulatorowym

Parametry techniczne lampy Solis 60:

Solis60-parametry-techniczne

Mimo dołożenia wszelkich starań nie gwarantujemy, że publikowane dane techniczne i zdjęcia nie zawierają uchybień lub błędów, które nie mogą jednak być podstawą do roszczeń.

Strona główna